Ізолятор ступінчатий ІС4-40 М8 600А 10кВ з болтом – призначений для ізоляції та жорсткого кріплення струмопровідних шин усередині електричних щитів, шинних мостів та іншого обладнання. Ізолятори призначені для експлуатації в електрообладнанні постійного та змінного струму частотою 50 Гц напругою до 1000 В.
* – за відсутності місця для кріплення шини захисного заземлення її ширина та різьблення болтів (гвинтів) не вказується.
Технічні характеристики:
| Найменування параметру | Значення |
| Номінальний робочий струм, А | 600 |
| Номінальна робоча напруга, кВ | 10 |
| Короткочасно витримувана (протягом однієї хвилини) напруга промислової частоти, кВ | 2,5 |
| Імпульсна напруга, що витримується 1.2/50 μс, кВ (напруга грозового імпульсу) | 12,0 |
| Напруга пробою ізоляції промислової частоти, кВ | 10,0 |
| Межа міцності на вигин, МПа | 125,0 |
| Момент затягування болтів кріплення шин, Н – м | 10 |
| Руйнівний крутний момент H. м | 50 |
| Діаметр отворів під кріпильні болти в шинах, мм | 9,0 |
| Кількість болтів на ізолятор, шт. | 4 (М8х15) |
| Маса ізоляторів, кг | 0,670 |
| Срок служби, років | 10 |
| Гарантійний термін, років | 1 |
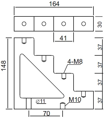
Габаритні розміри, мм:

Побутові LED лампи
Високопотужні LED лампи
Світлодіодні лампи Т8
Офісні LED світильники
Промислові LED світильники
Прожектори
Консольні світильники
Переносні світильники
Датчики руху
Фотореле
Аварійні LED світильники та наклейки
Патрони
Наконечники
Роз’єми
Роз’єми “мама” FDD
Роз’єми “тато” MDD
Клемники
Клемники кінцеві
Клемні колодки ТВ
Клемні колодки ТС
Клеми СМК
Затискачі гвинтові
З’єднувачі ізолюючі затискні ЗІЗ
Сальники
Сальники MG
Сальники PG
Сальники PG, M латунні
Ізолятори
Ізолятори SM із болтом
Ізолятори SM без болтів
DIN-рейка та аксесуари
Шини ізольовані “N” на DIN-рейку
Шини універсальні ізольовані «N» на DIN-рейку
Шини ізольовані стійка “N” на DIN-рейку
Шини «N» на DIN-рейку в корпусі
Шини PE/N
Розподільні блоки РБД
KCD1
KCD2
KCD3
KCD5
Сигнальні лампи
Лампи AD16DS
Лампи AD22DS
Кнопки та перемикачі
Дзвінки гучного бою UC
Корпуси для кнопок
Прихована установка
Вимикачі
Розетки
Відкрите встановлення
Вимикачі
Розетки
Вилки
Силові роз’єми
Силові вилки
Силові розетки
Каучукові штепсельні роз’єми
Колодки
Рамки
Термоусаджувальна стрічка ТС (у рулонах 5 м.)
Термоусаджувальні рукавички ТР
Термоусаджувальна гільза
Термоусаджувальна гільзи з оловом SST-S
Гільзи з термоусадкою ВНТ

Наконечники втулкові
Наконечники алюмінієві DL
Наконечники кільцеві з ізоляцією RV
Накінечники кільцеві без ізоляції RNB/RNBS
Наконечники гільза без ізоляції EN
Наконечники вилка з ізоляцією SV/SVS
Наконечники мідні луджені JG
Наконечники мідні DT
Наконечники луджені SC
Наконечники гільза E
Відгуки
Відгуків немає, поки що.