Techno Systems — електротехнічна продукція, кабелі, монтаж і енергоефективне LED-освітлення.
  • Розсилка
  • ПАРТНЕРАМ
  • Контакти
Techno Systems Techno Systems
Виберіть категорію
  • Виберіть категорію
  • Вироби для ізоляції кріплення та маркування
    • Бірки кабельні
    • Дюбеля
    • Ізолента, скотч, стретч-плівка
    • Кабельні затискачі
    • Кабельні маркери
    • Кліпси для кріплення гофри
    • Кріплення (ялинка)
    • Майданчики під гвинт
    • Сигнальна стрічка
    • Скоби оцинковані однолапкові, дволапкові
    • Хомути
      • Кріплення ремінне КР
      • Хомут ХКН-L нейлон (білий)
      • Хомут ХКН-L нейлон (чорний)
      • Хомути ХА
      • Хомути ХКН-66 нейлон (білий)
      • Хомути ХКН-66 нейлон (чорний)
      • Хомути ХОК
      • Хомути ХС сталь нержавіюча
  • Електричні шини
  • Електромонтажні вироби та інструменти
    • З'єднувачі кабельні
    • Затискачі гвинтові
    • Затискачі ЗІЗ, ЗПО
      • З'єднувачі ізолюючі затискні ЗІЗ
      • Затискачі-відгалужувачі ЗПО
    • Клемники
      • Клеми КВМ
      • Клеми СМК
      • Клемники кінцеві
      • Клемні колодки ТВ
      • Клемні колодки ТС
    • Коробки монтажні
    • Муфти з'єднувальні та кінцеві кабельні
    • Наконечники
      • Наконечники для автоматичних вимикачів
      • Наконечники не силові
        • Накінечники кільцеві без ізоляції RNB/RNBS
        • Наконечники вилка з ізоляцією SV/SVS
        • Наконечники втулкові
        • Наконечники гільза E
        • Наконечники гільза без ізоляції EN
        • Наконечники кільцеві з ізоляцією RV
      • Наконечники силові
        • Гільзи мідні луджені ГМЛ, GTL, GL
        • Наконечники алюмінієві DL
        • Наконечники луджені SC
        • Наконечники мідні DT
        • Наконечники мідні луджені DT-JG
        • Наконечники мідні луджені JG
        • Наконечники мідно-алюмінієві DTL
    • Роз'єми
      • Роз'єми "мама" FDD
      • Роз'єми "тато" MDD
    • Роз'єми для кабелю
  • Електрофурнітура
    • Вилки
    • Відкрите встановлення
      • Вимикачі
      • Розетки
    • Каучукові штепсельні роз'єми
    • Колодки
    • Котушки УК
    • Подовжувачі побутові
    • Прихована установка
      • Вимикачі
      • Розетки
      • Розетки комп'ютерні, телефонні
    • Рамки
    • Розетки та вимикачі IP54
    • Силові роз'єми
      • Силові вилки
      • Силові розетки
  • Інструмент
    • Аксесуари та запчастини для YQK, SYK, НГЄ (гідравліка)
    • Викрутки
    • Знімач ручний гідравлічний СГ та Трубогиб гідравлічний ТРГ
    • Інструмент для затягування хомутів
    • Інструмент для зняття ізоляції (стрипер)
    • Кліщі обтискні
    • Насоси НРГ, НГЕ
    • Ножиці секторні
    • Ножі та леза сегментні
    • Плоскогубці, бокорізи
    • Преса гідравлічні
    • Преса для перфорації листового металу
    • Преса для шин (нарізання, згинання, перфорації)
    • Преса механічні ручні ПМР
    • Рулетки
    • Універсальний стіл СШО
  • Комутаційне обладнання
    • Автоматичні вимикачі захисту двигуна та аксесуари
    • Додаткові пристрої для контакторів
      • Додаткове обладнення до КММ
      • Котушка керування для КМС
      • Котушки керування для КММ
      • Котушки керування для КММп
      • Механізм блокування для КМС
    • Контактори
      • Контактори серії KMMoр
      • Контактори серії КММ
      • Контактори серії КММо
      • Контактори серії КММр
      • Контактори серії КМС
      • Контактори серії КМСр
    • Пакетні перемикачі (кулачкові)
    • Реле проміжні та доп. пристрої
    • Теплові реле
      • Реле теплові РТ для КММ
      • Реле теплові РТ для КМС
  • Контактори серії КММп
  • Модульне обладнання
    • Автоматичні вимикачі диференційного струму АВДс
    • Вимикач диференційний ПЗВ ВД
    • Вимикачі навантаження ВН
    • Додаткові модульні пристрої
    • Запобіжники плавкі циліндричні ЗПц та тримувачі ТЗПм
    • Контактори серії KM
    • Модульні автоматичні вимикачі серії BA18-60 6кА
    • Модульні автоматичні вимикачі серії BA27-100 10кА
    • Перемикачі-роз'єднувачі ПРт
    • Розетки на DIN-рейку
  • Пристрої контролю та управління
    • Лічильники
    • Реле автоматичного вводу резерву (АВР)
    • Реле контролю напруги та струму
    • Реле розеточні
    • Реле сутінкове
    • Реле фаз
    • Реле часу і таймери
  • Пристрої подачі команд та сигналів
    • Вольтметри, Амперметри, Зуммери AD22
    • Дзвінки гучного бою UC
    • Кінцеві вимикачі
    • Кнопки та перемикачі
      • Кнопки антивандальні
      • Кнопки керування
      • Маніпулятори
      • Перемикачі
      • Тумблери
    • Корпуси для кнопок
    • Мікровимикачі
    • Перемикачі KCD
      • KCD1
      • KCD2
      • KCD3
      • KCD5
    • Пости керування кнопкові
    • Потенціометри
    • Реле твердотільні SSR
    • Сигнальні лампи
      • Лампи AD16DS
      • Лампи AD22DS
      • Лампи змінні LED
  • Світлотехніка
    • Аварійні LED світильники та наклейки
    • Аксесуари та запчастини для світильників
    • Вуличне освітлення
      • Консольні світильники
      • Прожектори
    • Настільні світильники
    • Офісні LED світильники
      • LED панелі
      • Лінійні світильники IP20
      • Точкові світлодіодні світильники downlight
    • Патрони
    • Переносні світильники
    • Промислові LED світильники
      • Лінійні світильники IP65
      • Світильники LED ЖКГ
      • Світильники для високих стель
    • Світлодіодні лампи
      • Високопотужні LED лампи
      • Побутові LED лампи
      • Світлодіодні лампи Т8
    • Управління освітленням
      • Датчики руху
      • Фотореле
  • Силове обладнання захисту та комутації
    • Вимикачі-роз'єднувачі ВР32 та аксесуари
    • Вимикачі-роз'єднувачі ВРК-2н
    • Вимикачі-роз'єднувачі під запобіжник ЗВР
    • Запобіжники (плавкі вставки), тримачі та рукоятки до них
    • Роз'єднувачі
      • Роз’єднувачі РБ
      • Роз’єднувачі РЕ
      • Роз’єднувачі РПБ
      • Роз’єднувачі РПС
    • Силові автоматичні вимикачі серії ВА88
      • Аксесуари для ВА88
  • Системи для прокладання кабелю
    • Електротехнічні труби для прокладання кабелю
    • Кабель-канал
    • Колодязь кабельний
    • Металорукав
    • Муфти для металорукаву
    • Обладнання та арматура для СІП
      • Затискачі та гаки
      • Стрічки бандажні, монтажні та скріпи
    • П-подібний профіль
    • Труба гофрована
  • Термоусаджувальні матеріали
    • Кембрики
    • Ковпачки термоусаджувані
    • Спіраль монтажна
    • Термоусаджувальна гільза
      • Гільзи з термоусадкою ВНТ
      • Термоусаджувальна гільзи з оловом SST-S
    • Термоусаджувальна стрічка ТС (у рулонах 5 м.)
    • Термоусаджувальна трубка
      • Термоусаджувальна трубка Для шин ТТШ
      • Термоусаджувальна трубка СТТК (середньостінна)
      • Термоусаджувальна трубка ТТ (в рулонах)
      • Термоусаджувальна трубка ТТК
      • Термоусаджувальна трубка ТТКН
      • Термоусаджувальна трубка ТТН (у бухтах) Н/Г
      • Термоусаджувальна трубка ТТН (у відрізках по 1 м.)
      • Термоусаджувальна трубка ТТТК (товстостінна)
    • Термоусаджувальні рукавички ТР
  • Щитове обладнання та приладдя
    • DIN-рейка та аксесуари
    • Електрощити в зборі
      • Ящики з понижуючим трансформатором
    • Ізолятори
      • Ізолятори SM без болтів
      • Ізолятори SM із болтом
    • Клема затискна шинна ЗШК
    • Клеми гвинтові набірні на DIN рейку та аксесуари
      • Гвинтові перемички FBI
      • Гвинтові перемички SAK
      • Клеми "PE" КНГз-SAK
      • Клеми "PE" КНГз-UK
      • Клеми КНГ-SAK
      • Клеми КНГ-UK
      • Клеми силові СКНГ
      • Кришки D-SAK
      • Кришки D-UK
      • Маркери ZB
    • Корпуси пластикові
      • Замки, ключі та інші аксесуари до корпусів пластикових
      • Корпуси пластикові ЩМПп IP65
      • Корпуси пластикові ЩРВ-П, ЩРН-П
      • Корпуси пластикові ЩРН-П PRO IP65
      • Корпуси, бокси КМПн
    • Металеві корпуси
      • Замки, ключі та інші аксесуари до корпусів металевих
      • Корпуса металлические ЩМП IP54 PRO (стационарные)
      • Корпуси металеві ЩМП IP54
      • Корпуси металеві ЩРВ IP31
      • Корпуси металеві ЩРн IP31
      • Корпуси металеві ЩРн IP54
      • Корпуси металеві Щурн
    • Розподільні блоки РБД
    • Сальники
      • Сальники MG
      • Сальники PG
      • Сальники PG, M латунні
      • Сальники зі спіраллю
      • Сальники метричні M
    • Шини «N» на DIN-рейку в корпусі
    • Шини PE/N
    • Шини з'єднувальні
      • Шини з'єднувальні FORK
      • Шини з'єднувальні PIN
    • Шини ізольовані "N" на DIN-рейку
    • Шини ізольовані стійка "N" на DIN-рейку
    • Шини мідні та алюмінієві
    • Шини універсальні ізольовані «N» на DIN-рейку
    • Ящики ЯРП та ЯПРП
Увійти / Зареєструватись
0 Список бажань
0 елементів 0.00грн.
Меню
Techno Systems Techno Systems
0 елементів 0.00грн.
Переглянути категорії
  • СвітлотехнікаСвітлотехніка
    • Світлодіодні лампи
      • Побутові LED лампиПобутові LED лампи
      • Високопотужні LED лампиВисокопотужні LED лампи
      • Світлодіодні лампи Т8Світлодіодні лампи Т8
    • Офісні LED світильникиОфісні LED світильники
      • LED панелі
      • Точкові світлодіодні світильники downlight
      • Лінійні світильники IP20
    • Промислові LED світильникиПромислові LED світильники
      • Світильники LED ЖКГ
      • Лінійні світильники IP65
      • Світильники для високих стель
    • Вуличне освітлення
      • ПрожекториПрожектори
      • Консольні світильникиКонсольні світильники
    • Переносні світильникиПереносні світильники
    • Настільні світильники
    • Управління освітленням
      • Датчики рухуДатчики руху
      • ФоторелеФотореле
    • Аварійні LED світильники та наклейкиАварійні LED світильники та наклейки
    • Аксесуари та запчастини для світильників
    • ПатрониПатрони
  • Модульне обладнання
    • Модульні автоматичні вимикачі серії BA18-60 6кА
    • Модульні автоматичні вимикачі серії BA27-100 10кА
    • Контактори серії KM
    • Вимикач диференційний ПЗВ ВД
    • Автоматичні вимикачі диференційного струму АВДс
    • Вимикачі навантаження ВН
    • Перемикачі-роз’єднувачі ПРт
    • Розетки на DIN-рейку
    • Додаткові модульні пристрої
    • Запобіжники плавкі циліндричні ЗПц та тримувачі ТЗПм
  • Силове обладнання захисту та комутації
    • Силові автоматичні вимикачі серії ВА88
      • Аксесуари для ВА88
    • Вимикачі-роз’єднувачі ВР32 та аксесуари
    • Роз’єднувачі
      • Роз’єднувачі РЕ
      • Роз’єднувачі РПБ
      • Роз’єднувачі РБ
      • Роз’єднувачі РПС
    • Вимикачі-роз’єднувачі ВРК-2н
    • Запобіжники (плавкі вставки), тримачі та рукоятки до них
    • Вимикачі-роз’єднувачі під запобіжник ЗВР
  • Комутаційне обладнання
    • Контактори
      • Контактори серії КММ
      • Контактори серії КММп
      • Контактори серії КММр
      • Контактори серії КММо
      • Контактори серії KMMoр (реверс)
      • Контактори серії КМС
      • Контактори серії КМСр (реверс)
    • Теплові реле
      • Реле теплові РТ для КММ
      • Реле теплові РТ для КМС
    • Додаткові пристрої для контакторів
      • Додаткове обладнення до КММ
      • Котушки керування для КММ
      • Котушки керування для КММп
      • Котушка керування для КМС
      • Механізм блокування для КМС
    • Автоматичні вимикачі захисту двигуна та аксесуари
    • Реле проміжні та доп. пристрої
  • Пристрої контролю та управління
    • Реле контролю напруги та струму
    • Реле часу і таймери
    • Реле автоматичного вводу резерву (АВР)
    • Реле сутінкове
    • Реле розеточні
  • ІнструментІнструмент
    • Кліщі обтискні
    • Ножиці секторні
    • Інструмент для зняття ізоляції (стрипер)
    • Плоскогубці, бокорізи
    • Насоси НРГ, НГЕ
    • Преса гідравлічні
    • Преса механічні ручні ПМР
    • Преса для шин (нарізання, згинання, перфорації)
    • Преса для перфорації листового металу
    • Універсальний стіл СШО
    • Знімач ручний гідравлічний СГ та Трубогиб гідравлічний ТРГ
    • Інструмент для затягування хомутів
    • Рулетки
    • Викрутки
    • Рукавички
    • Аксесуари та запчастини для YQK, SYK, НГЄ (гідравліка)
  • Електромонтажні вироби та інструментиЕлектромонтажні вироби та інструменти
    • НаконечникиНаконечники
      • Наконечники не силові
      • Наконечники силові
    • Роз'ємиРоз’єми
      • Роз'єми "мама" FDDРоз’єми “мама” FDD
      • Роз'єми "тато" MDDРоз’єми “тато” MDD
    • КлемникиКлемники
      • Клемники кінцевіКлемники кінцеві
      • Клемні колодки ТВКлемні колодки ТВ
      • Клемні колодки ТСКлемні колодки ТС
      • Клеми СМККлеми СМК
    • Затискачі гвинтовіЗатискачі гвинтові
    • З'єднувачі ізолюючі затискні ЗІЗЗ’єднувачі ізолюючі затискні ЗІЗ
  • Щитове обладнання та приладдя
    • Корпуси пластикові
      • Корпуси пластикові ЩРВ-П, ЩРН-П
      • Корпуси пластикові ЩМПп IP65
      • Корпуси пластикові ЩРН-П PRO IP65
      • Корпуси, бокси КМПн
    • Ящики ЯРП та ЯПРП
    • Металеві корпуси
      • Корпуси металеві ЩРВ IP31
      • Корпуси металеві ЩРн IP31
      • Корпуси металеві ЩРн IP54
      • Корпуси металеві ЩМП IP54
      • Корпуса металлические ЩМП IP54 PRO (стационарные)
      • Корпуси металеві ЩМП IP66 PRO
      • Корпуси металеві Щурн
    • СальникиСальники
      • Сальники MGСальники MG
      • Сальники PGСальники PG
      • Сальники PG, M латунніСальники PG, M латунні
      • Сальники метричні M
    • ІзоляториІзолятори
      • Ізолятори SM із болтомІзолятори SM із болтом
      • Ізолятори SM без болтівІзолятори SM без болтів
    • DIN-рейка та аксесуариDIN-рейка та аксесуари
    • Шини ізольовані "N" на DIN-рейкуШини ізольовані “N” на DIN-рейку
    • Шини універсальні ізольовані «N» на DIN-рейкуШини універсальні ізольовані «N» на DIN-рейку
    • Шини ізольовані стійка "N" на DIN-рейкуШини ізольовані стійка “N” на DIN-рейку
    • Шини «N» на DIN-рейку в корпусіШини «N» на DIN-рейку в корпусі
    • Шини PE/NШини PE/N
    • Розподільні блоки РБДРозподільні блоки РБД
    • Клеми гвинтові набірні на DIN рейку та аксесуари
  • Пристрої подачі команд та сигналівПристрої подачі команд та сигналів
    • Перемикачі KCD
      • KCD1KCD1
      • KCD2KCD2
      • KCD3KCD3
      • KCD5KCD5
    • Сигнальні лампиСигнальні лампи
      • Лампи AD16DSЛампи AD16DS
      • Лампи AD22DSЛампи AD22DS
    • Кнопки та перемикачіКнопки та перемикачі
      • Кнопки керування
      • Перемикачі
      • Тумблери
      • Маніпулятори
    • Вольтметри, Амперметри, Зуммери AD22
    • Мікровимикачі
    • Дзвінки гучного бою UCДзвінки гучного бою UC
    • Корпуси для кнопокКорпуси для кнопок
  • ЕлектрофурнітураЕлектрофурнітура
    • Прихована установкаПрихована установка
      • ВимикачіВимикачі
      • РозеткиРозетки
    • Відкрите встановленняВідкрите встановлення
      • ВимикачіВимикачі
      • РозеткиРозетки
      • Розетки комп’ютерні, телефонні
    • Розетки та вимикачі IP54
    • ВилкиВилки
    • Силові роз'ємиСилові роз’єми
      • Силові вилкиСилові вилки
      • Силові розеткиСилові розетки
    • Каучукові штепсельні роз'ємиКаучукові штепсельні роз’єми
    • КолодкиКолодки
    • РамкиРамки
  • Термоусаджувальні матеріали
    • Термоусаджувальна трубка
      • Термоусаджувальна трубка ТТН (у відрізках по 1 м.)
      • Термоусаджувальна трубка ТТ (в рулонах)
      • Термоусаджувальна трубка ТТКН
      • Термоусаджувальна трубка ТТТК (товстостінна)
    • Майданчики під гвинт
    • Термоусаджувальна стрічка ТС (у рулонах 5 м.)Термоусаджувальна стрічка ТС (у рулонах 5 м.)
    • Термоусаджувальні рукавички ТРТермоусаджувальні рукавички ТР
    • Термоусаджувальна гільзаТермоусаджувальна гільза
      • Термоусаджувальна гільзи з оловом SST-SТермоусаджувальна гільзи з оловом SST-S
      • Гільзи з термоусадкою ВНТГільзи з термоусадкою ВНТ
    • Спіраль монтажна
  • Вироби для ізоляції кріплення та маркування
    • Кабельні маркери
    • Хомути
      • Хомути ХКН-66 нейлон (білий)
      • Хомути ХКН-66 нейлон (чорний)
      • Хомути ХА
      • Хомути ХОК
  • Системи для прокладання кабелю
    • Металорукав
    • Обладнання та арматура для СІП
      • Стрічки бандажні, монтажні та скріпи
      • Затискачі та гаки
      • Скоби оцинковані однолапкові, дволапкові
  • Про компанію
  • Доставка і оплата
  • Файли для завантаження
    • Електронний каталог продукції у PDF
    • Прайс лист/Складські залишки/Замовник
    • Сертифікати
  • АКЦІЇ
  • ДЕ ПРИДБАТИ
Клацніть, щоб збільшити
Головна Щитове обладнання та приладдя Клеми гвинтові набірні на DIN рейку та аксесуари Клеми силові СКНГ Клема силова СКНГ-JHT5-150 35-150мм2 290А “N” синій TNSy
Клема КВМб 4-25мм2 ввідна для мод. обладн. боковий ввід TNSy 35.10грн. / шт.
Повернутися до товарів
Світильник промисловий LED LFB 2*1200 T8 IP65 Golden TNSy 480.00грн. / шт.

Клема силова СКНГ-JHT5-150 35-150мм2 290А “N” синій TNSy

184.15грн. / шт.

212 в наявності

В список желаний
Порівняння
Додати до списку бажань
Артикул: TNSy5506244 Категорії: Клеми силові СКНГ, Щитове обладнання та приладдя
Поділитися:
  • Опис
  • Відгуки (0)
  • Shipping & Delivery
Опис

Клема силова СКНГ-JHT5-150 35-150мм2 290А “N” синій товарного знака Techno Sysytems призначена для електричного та механічного з’єднання мідних
або алюмінієвих провідників зі спеціальною підготовкою перерізом від 35 до 150мм у ланцюгах змінного та постійного струму напругою до 800В.
Виріб відповідає Технічним регламентам безпеки низьковольтного електричного обладнання та електромагнітної сумісності обладнання, зокрема ДСТУ EN 60947-7-2.
Нормальними умовами експлуатації клем є:
Діапазон робочих температур – від -40 до +85 С˚;
– середнє значення відносної вологості – не більше 75% при плюс 15 С˚, допускається експлуатація затискачів при відносній вологості повітря 98% та температурі плюс 25 С˚;
– ступінь захисту клем від проникнення вологи та твердих частинок – ІР20 (ІЕС60529).

Технічні характеристики:
 Найменування параметру  Значення
 Тип монтажу  на DIN-рейку; на монтажну панель
 Кількість полюсів, шт.  1
 Перетин жили дроту, мм²  35-150
 Номінальний струм, А  CU (мідь): 320А; Al (алюміній): 290А
 Момент затяжки, Нм (при перерізі провідника, мм)  14 (35-95); 24 (120-150)
 Монтаж шестигранної головки  M8
 Матеріал контактної частини  алюмінієвий сплав
 Матеріал корпусу  PA6 (термостійкий пластик)
 Колір корпусу  синій
 Температура експлуатації, ˚С  від -40 до +85 С˚
 Ступінь захисту  IP20
 Срок служби, років  15
 Гарантійний термін, років  5
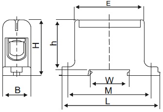
Габаритні розміри, мм:

 L  96
 B  29,5
 H  58
 h  54
 E  72
 W  35
 M  84
Відгуки (0)

Відгуки

Відгуків немає, поки що.

Будьте першим, хто залишив відгук “Клема силова СКНГ-JHT5-150 35-150мм2 290А “N” синій TNSy”“ Скасувати відповідь

Ваша e-mail адреса не оприлюднюватиметься. Обов’язкові поля позначені *

Shipping & Delivery

Схожі товари

Немає в наявності
Порівняння
Швидкий перегляд
Додати до списку бажань

Сальник MG16 d6-10мм IP68 чорний TNSy

Щитове обладнання та приладдя, Сальники, Сальники MG
Артикул: TNSy5500012
10.68грн. / шт.
Читати далі
Порівняння
Швидкий перегляд
Додати до списку бажань

Ізолятор SM20 М5 з болтом TNSy

Щитове обладнання та приладдя, Ізолятори, Ізолятори SM із болтом
Артикул: TNSy5501137
14.36грн. / шт.
Додати в кошик
Порівняння
Швидкий перегляд
Додати до списку бажань

Ізолятор SM100 М10 без болтів (100*65 32kV) TNSy

Щитове обладнання та приладдя, Ізолятори, Ізолятори SM без болтів
Артикул: TNSy5501144
161.77грн. / шт.
Додати в кошик
Немає в наявності
Порівняння
Швидкий перегляд
Додати до списку бажань

Сальник PG13,5 d6-12мм IP68 латунний TNSy

Щитове обладнання та приладдя, Сальники, Сальники PG, M латунні
Артикул: TNSy5501103
47.17грн. / шт.
Читати далі
Порівняння
Швидкий перегляд
Додати до списку бажань

Ізолятор SM65 М10 з болтом (65*41 22kV) TNSy

Щитове обладнання та приладдя, Ізолятори, Ізолятори SM із болтом
Артикул: TNSy5501141
54.35грн. / шт.
Додати в кошик
Порівняння
Швидкий перегляд
Додати до списку бажань

Ізолятор SM60 М10 з болтом (60*46 20kV) TNSy

Щитове обладнання та приладдя, Ізолятори, Ізолятори SM із болтом
Артикул: TNSy5501139
56.57грн. / шт.
Додати в кошик
Порівняння
Швидкий перегляд
Додати до списку бажань

Ізолятор SM60 М10 без болтів (60*46 20kV) TNSy

Щитове обладнання та приладдя, Ізолятори, Ізолятори SM без болтів
Артикул: TNSy5501138
51.12грн. / шт.
Додати в кошик
Порівняння
Швидкий перегляд
Додати до списку бажань

Ізолятор SM70 М10 з болтом (70*60 25kV) TNSy

Щитове обладнання та приладдя, Ізолятори, Ізолятори SM із болтом
Артикул: TNSy5501143
55.52грн. / шт.
Додати в кошик

TechnoSystems - виробник електротехнічної та світлотехнічної продукції.

Україна
Email: shop@tnsy.com.ua
Последние новости
  • Новинка! Фотореле серии ФР – ТМ «Techno Systems»
    Новинка! Фотореле серии ФР – ТМ «Techno Systems»
    13.10.2021 Немає коментарів
  • Новинка! Датчики движения серии ДР – ТМ «Techno Systems»
    Новинка! Датчики движения серии ДР – ТМ «Techno Systems»
    13.10.2021 Немає коментарів
Каталог товаров
  • Світлотехніка
  • Електромонтажні вироби та інструменти
  • Електрофурнітура
  • Електричні шини
  • Пристрої подачі команд та сигналів
Меню
  • Про компанію
  • Доставка та оплата
  • Новини
  • Контакти
  • Партнерам
  • Де придбати?
Корисна інформація
  • Прайс лист
  • Сертифікати
  • Каталог
2017-2025 TechnoSystems LLC Копіювання інформації лише з письмового дозволу адміністрації.
payments
  • Меню
  • Категорії
  • О Компании
  • Доставка і оплата
  • Контакти
  • Где купить?
  • Прайс лист/Складські залишки/Замовник
  • Сертифікати
  • СвітлотехнікаСвітлотехніка
    • Світлодіодні лампи
      • Побутові LED лампиПобутові LED лампи
      • Високопотужні LED лампиВисокопотужні LED лампи
      • Світлодіодні лампи Т8Світлодіодні лампи Т8
    • Офісні LED світильникиОфісні LED світильники
      • LED панелі
      • Точкові світлодіодні світильники downlight
      • Лінійні світильники IP20
    • Промислові LED світильникиПромислові LED світильники
      • Світильники LED ЖКГ
      • Лінійні світильники IP65
      • Світильники для високих стель
    • Консольні світильникиКонсольні світильники
    • ПрожекториПрожектори
    • Управління освітленням
      • Датчики рухуДатчики руху
      • ФоторелеФотореле
    • Переносні світильникиПереносні світильники
    • Аварійні LED світильники та наклейкиАварійні LED світильники та наклейки
    • ПатрониПатрони
  • ЕлектрофурнітураЕлектрофурнітура
    • Відкрите встановленняВідкрите встановлення
      • ВимикачіВимикачі
      • РозеткиРозетки
    • Прихована установкаПрихована установка
      • ВимикачіВимикачі
      • РозеткиРозетки
    • РамкиРамки
    • Розетки та вимикачі IP54
    • ВилкиВилки
    • КолодкиКолодки
    • Каучукові штепсельні роз'ємиКаучукові штепсельні роз’єми
    • Силові роз'ємиСилові роз’єми
      • Силові вилкиСилові вилки
      • Силові розеткиСилові розетки
  • Електромонтажні вироби та інструментиЕлектромонтажні вироби та інструменти
    • НаконечникиНаконечники
      • Наконечники не силові
      • Наконечники силові
      • Наконечники втулковіНаконечники втулкові
      • Наконечники алюмінієві DLНаконечники алюмінієві DL
      • Наконечники кільцеві з ізоляцією RVНаконечники кільцеві з ізоляцією RV
      • Накінечники кільцеві без ізоляції RNB/RNBSНакінечники кільцеві без ізоляції RNB/RNBS
      • Наконечники гільза без ізоляції ENНаконечники гільза без ізоляції EN
      • Наконечники вилка з ізоляцією SV/SVSНаконечники вилка з ізоляцією SV/SVS
      • Наконечники мідні луджені JGНаконечники мідні луджені JG
      • Наконечники мідні DTНаконечники мідні DT
      • Наконечники луджені SCНаконечники луджені SC
      • Наконечники гільза EНаконечники гільза E
    • З'єднувачі ізолюючі затискні ЗІЗЗ’єднувачі ізолюючі затискні ЗІЗ
    • Затискачі гвинтовіЗатискачі гвинтові
    • Роз'ємиРоз’єми
      • Разъемы "папа" MDDРазъемы “папа” MDD
      • Разъемы "мама" FDDРазъемы “мама” FDD
    • КлемникиКлемники
      • Клеми СМККлеми СМК
      • Клемні колодки ТВКлемні колодки ТВ
      • Клемні колодки ТСКлемні колодки ТС
      • Клемники кінцевіКлемники кінцеві
  • ІнструментІнструмент
  • Пристрої подачі команд та сигналівПристрої подачі команд та сигналів
    • Сигнальні лампиСигнальні лампи
      • Лампи AD16DSЛампи AD16DS
      • Лампи AD22DSЛампи AD22DS
    • Перемикачі KCD
      • KCD1KCD1
      • KCD2KCD2
      • KCD3KCD3
      • KCD5KCD5
    • Кнопки та перемикачіКнопки та перемикачі
      • Кнопки керування
      • Перемикачі
      • Маніпулятори
      • Тумблери
    • Корпуси для кнопокКорпуси для кнопок
    • Мікровимикачі
    • Дзвінки гучного бою UCДзвінки гучного бою UC
  • Щитове обладнання та приладдя
    • СальникиСальники
      • Сальники MGСальники MG
      • Сальники PGСальники PG
      • Сальники PG, M латунніСальники PG, M латунні
      • Сальники метричні M
    • ІзоляториІзолятори
      • Ізолятори SM із болтомІзолятори SM із болтом
      • Ізолятори SM без болтівІзолятори SM без болтів
    • DIN-рейка та аксесуариDIN-рейка та аксесуари
    • Шини «N» на DIN-рейку в корпусіШини «N» на DIN-рейку в корпусі
    • Шини PE/NШини PE/N
    • Шини ізольовані "N" на DIN-рейкуШини ізольовані “N” на DIN-рейку
    • Шини ізольовані стійка "N" на DIN-рейкуШини ізольовані стійка “N” на DIN-рейку
    • Шини універсальні ізольовані «N» на DIN-рейкуШини універсальні ізольовані «N» на DIN-рейку
    • Розподільні блоки РБДРозподільні блоки РБД
  • Термоусаджувальні матеріали
    • Термоусаджувальна трубка
      • Термоусаджувальна трубка ТТН (у відрізках по 1 м.)
      • Термоусаджувальна трубка ТТ (в рулонах)
      • Термоусаджувальна трубка ТТКН
      • Термоусаджувальна трубка СТТК (середньостінна)
      • Термоусаджувальна трубка ТТТК (товстостінна)
    • Термоусаджувальна стрічка ТС (у рулонах 5 м.)Термоусаджувальна стрічка ТС (у рулонах 5 м.)
    • Термоусаджувальна гільзаТермоусаджувальна гільза
      • Термоусаджувальна гільзи з оловом SST-SТермоусаджувальна гільзи з оловом SST-S
      • Гільзи з термоусадкою ВНТГільзи з термоусадкою ВНТ
    • Термоусаджувальні рукавички ТРТермоусаджувальні рукавички ТР
  • Вироби для ізоляції кріплення та маркування
    • Хомути
      • Хомути ХА
      • Хомути ХОК
    • Кабельні маркери
  • Список бажань
  • Порівняння
  • Увійти / Зареєструватись
Кошик
Закрити
Ціна та наявність товару оновлено: 20.03.2026
Увійти
Закрити

Забули свій пароль?

Ще немає аккаунту?

Створити аккаунт
Магазин
0 Список побажань
0 елементів Кошик
Мій акаунт