Розетка штепсельна силова 134 стаціонарна 3Р+PЕ 63А 380В IP67 товарного знаку Techno Systems промислового призначення – використовується для експлуатації в трифазних мережах змінного струму напругою до 415 В.
Область застосування з’єднувачів: для експлуатації всередині приміщень та на відкритому повітрі з мобільним та стаціонарним електрообладнанням однофазного та трифазного виконання із заземлюючим контактом, а також виконання з нейтраллю (залежно від типовиконання з’єднувача).
З’єднувачі розраховані на такі умови експлуатації:
– діапазон робочих температур від -25°C до +40°C;
– відносна вологість повітря не більше 98%
Виріб відповідає стандартам: ДСТУ EN 60309-1
Переваги:
- Корпус і ізолюючі деталі, а також несучі струмопровідні частини силового роз’єму виконані з матеріалів, що самозагасають.
- Кришка добре закріплена, забезпечує захист від попадання пилу та вологи всередину роз’єму.
- Пружини захищені від корозії
- Гвинти, що застосовуються для механічних та електротехнічних з’єднань, захищені від самовідгвинчування.
- Можливість експлуатувати у вологому середовищі (IP67).
- Наявність спеціального сальника для кабелю різного перерізу.
Технічні характеристики:
| Найменування параметру | Значення |
| Тип монтажу | стаціонарна |
| Кількість контактів | 3P+PE |
| Номінальний струм, А | 63 |
| Номінальна частота мережі, Гц | 50 |
| Діапазон номінальної робочої напруги, В~ | 380-415 |
| Номінальна напруга по ізоляції, В | 500 |
| Максимальний переріз провідників, що підключаються, мм² | 6-16,0 |
| Положення заземлювального контакту | 6 г. |
| Ступінь захисту | IP67 |
| Фіксуючий пристрій | кришка з байонетним кільцем |
| Наявність блокування | з електричним блокуванням |
| Температура експлуатації, °С | від -25°C до +40°C |
| Срок служби, років | 7 |
| Гарантійний термін, років | 1 |
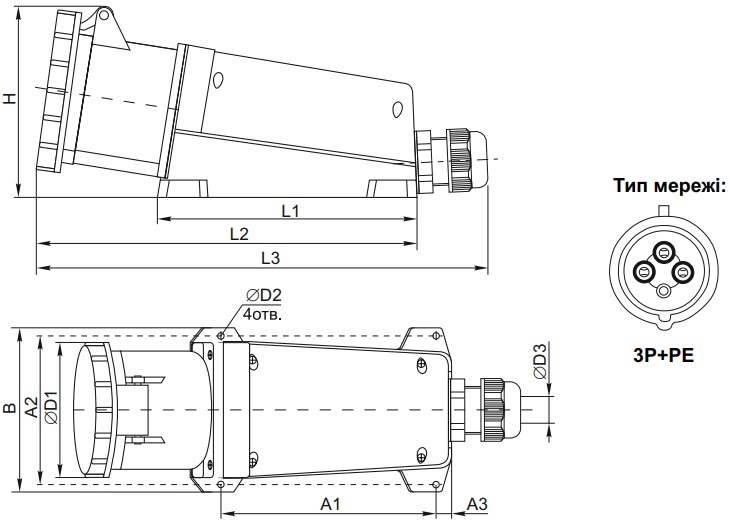
Габаритні розміри, мм:

| A1 | 162±1 |
| A2 | 111±1 |
| A3 | 14 |
| B | 125 |
| D1 | 99 |
| D2 | 5.5 |
| D3 | 12-20 |
| H | 135 |
| L1 | 198 |
| L2 | 275 |
| L3 | 311 max |
Побутові LED лампи
Високопотужні LED лампи
Світлодіодні лампи Т8
Офісні LED світильники
Промислові LED світильники
Прожектори
Консольні світильники
Переносні світильники
Датчики руху
Фотореле
Аварійні LED світильники та наклейки
Патрони
Наконечники
Роз’єми
Роз’єми “мама” FDD
Роз’єми “тато” MDD
Клемники
Клемники кінцеві
Клемні колодки ТВ
Клемні колодки ТС
Клеми СМК
Затискачі гвинтові
З’єднувачі ізолюючі затискні ЗІЗ
Сальники
Сальники MG
Сальники PG
Сальники PG, M латунні
Ізолятори
Ізолятори SM із болтом
Ізолятори SM без болтів
DIN-рейка та аксесуари
Шини ізольовані “N” на DIN-рейку
Шини універсальні ізольовані «N» на DIN-рейку
Шини ізольовані стійка “N” на DIN-рейку
Шини «N» на DIN-рейку в корпусі
Шини PE/N
Розподільні блоки РБД
KCD1
KCD2
KCD3
KCD5
Сигнальні лампи
Лампи AD16DS
Лампи AD22DS
Кнопки та перемикачі
Дзвінки гучного бою UC
Корпуси для кнопок
Прихована установка
Вимикачі
Розетки
Відкрите встановлення
Вимикачі
Розетки
Вилки
Силові роз’єми
Силові вилки
Силові розетки
Каучукові штепсельні роз’єми
Колодки
Рамки
Термоусаджувальна стрічка ТС (у рулонах 5 м.)
Термоусаджувальні рукавички ТР
Термоусаджувальна гільза
Термоусаджувальна гільзи з оловом SST-S
Гільзи з термоусадкою ВНТ
Наконечники втулкові
Наконечники алюмінієві DL
Наконечники кільцеві з ізоляцією RV
Накінечники кільцеві без ізоляції RNB/RNBS
Наконечники гільза без ізоляції EN
Наконечники вилка з ізоляцією SV/SVS
Наконечники мідні луджені JG
Наконечники мідні DT
Наконечники луджені SC
Наконечники гільза E